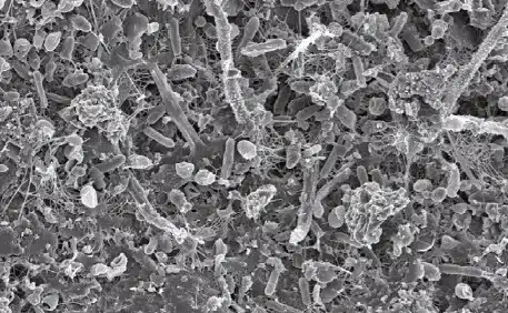
Biofilm je živé společenství mikroorganismů, zejména bakterií, které se přirozeně vytváří na pevných površích ve vodě. V našem případě zejména na aktivních filtračních površích – typicky na drceném kamenivu (např. dolomitický vápenec) nebo na molitanových filtrech.
Biofilm:
Ke své funkci potřebuje:
Při delším výpadku čerpadel biofilm postupně odumírá.
U citlivějších bakterií dochází k úhynu už po cca 6 hodinách bez proudění, proto je po delším výpadku nutné filtrační systém vyčistit a znovu nastartovat.
Při údržbě filtračního systému dochází ke „sklizni“ biofilmu a jeho odnesení ze systému, načež biofilm na filtračních površích znovu přirozeně narůstá.
Biofilm:
- rozkládá živiny a organické nečistoty (zbytky pylu, prachu, pot apod.),
- je klíčovou součástí biologické filtrace,
- pomáhá udržet vodu čirou a stabilní.
Ke své funkci potřebuje:
- proudění vody,
- přísun kyslíku.
- nepoužívání chemikálií
Při delším výpadku čerpadel biofilm postupně odumírá.
U citlivějších bakterií dochází k úhynu už po cca 6 hodinách bez proudění, proto je po delším výpadku nutné filtrační systém vyčistit a znovu nastartovat.
Při údržbě filtračního systému dochází ke „sklizni“ biofilmu a jeho odnesení ze systému, načež biofilm na filtračních površích znovu přirozeně narůstá.